首  页 公司简介 润滑系统介绍 产品展示 企业荣誉 在线留言 营销网络 联系方式
(电动、多点、单线、气动)润滑泵
(单线、多点、电动、机动)干油泵
电动(手动)加油泵
手动(脚踏)润滑泵
操纵阀/换向阀/控制器
过滤器/喷射阀/压差开关
双线(单线递进)分配器
稀油站/滤油器/信号器/指示器/齿轮油泵
单向阀/安全阀/冷却器/滤油车/磁过滤器
干油电气控制箱
管接头/管夹/高压法兰
油气混合器/油气分配器
油气站
板式换热器密封垫
注油器
公司地址:江苏省启东市灵峰路8
联系电话:0513-888
传  真:0513-888
销售热线:888 陆先生
中文域名:润滑液压设备.中国
      润滑液压设备.cn
网  址: WWW.KKRH.CN
邮  箱: 777@163.com
  产品展示  
AVE型油气分配混合器
一、结构特点及应用范围
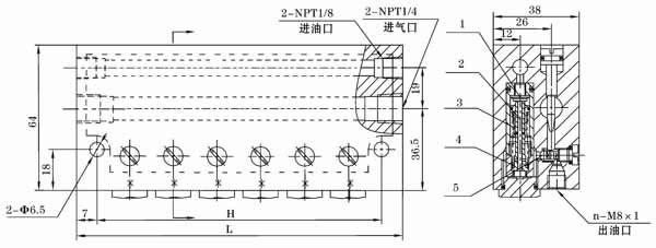
  AVE型油气分配混合器,它是一种由铝合金材料制造的容积定量式结构的油气分配混合器,设有一个进油口、一个进气口、1~8个油气出口。主要适用于单线卸压式油气润滑系统中。
二、技术参数
型 号
进油压力
进气压力
油气出口数
L
H
AVE1-*
>2MPa
0.4~0.6MPa
1
44
30
AVE2-*/*
2
64
50
AVE3-*/*/*
3
84
70
AVE4-*/*/*/*
4
104
90
AVE5-*/*/*/*/*
5
124
110
AVE6-*/*/*/*/*/*
6
144
130
AVE7-*/*/*/*/*/*/*
7
164
150
AVE8-*/*/*/*/*/*/*/*
8
184
170
给油系列号*
排 量
10
0.1ml/cycle
20
0.2ml/cycle
30
0.3ml/cycle
40
0.4ml/cycle
  适用过滤精度25m,粘度≤760cSt/40℃的润滑油;环境温度0℃~40℃。
1-密封垫 2-阀芯 3-阀套 4-弹簧 5-橡胶球
三、型号说明
四、动作说明
  从进油口处进入的压力油,在油压的作用下件1下移,紧贴在件2上端面封住了通油通道,同时打开了进油通道向件3上腔充油,件3在油压作用下克服件4弹簧力向下移动,则件3下腔的油顶开件5进入混合腔,在压缩空气的作用下经混合后的油气从油气出口排出。供油主管卸荷后,件1上部油压低并且件3在件4的作用下向上回位,件3上腔充入的油经已打开的件2上端面流道孔进入件3下腔储存,为下一循环供油作好准备。各口的供气量可通过节流螺丝的开口大小进行调节。
五、使用要领
  1、必须在规定的环境下使用规定范围的介质。
  2、压缩空气接口必须与本油气系统专属的压缩空气网络管路连接,严禁与其它来历不明的气源管路连接,以免发生意外。
  3、油气分配混合器的安装位置优先考虑安装在工况条件好,温差弯化小,无腐蚀性介质影响的部位,决不允许安装在长时间受高温辐射烘烤的场合使用。
版权所有:启海东盛开开冶金备件制造厂 联系电话:0513-88888888 传  真:0513-666
公司地址:江苏省启东市灵峰路 网址:WWW.KKRH.CN
海晟光学 双佳绗缝 鸿祥废旧金属回收 南通网站制作 民升百城国际旅行社 海安废品回收 英思特半导体 传安工业皮带 嘉佑德建筑材料 万锋化工 亚太船舶 中丽地坪